Arc Fault Detection Device (AFDD) is used in low voltage electrical installations to detect series arc faults and parallel arc faults that cannot be reliably detected by traditional circuit breakers or residual current devices. By analyzing current and voltage signal characteristics,the AFDD provides early protection against electrical fire hazards.The device is designed for AC systems with rated operating voltage up to 230/400V, frequency of 50/60Hz.It can be combined with overcurrent and residual current protection functions, offering comprehensive protection for final circuits.AFDDs are widely applied in residential buildings, commercial facilities,public buildings, schools, hospitals, and other locations where fire prevention and electrical safety are critical. They are especially suitable for installations with aging wiring, wooden structures, or combustible environments.The AFDD is designed and manufactured in accordance with relevant international and national standards, including IEC 62606 and GB/T 31143, ensuring reliable arc fault detection performance and compliance with electrical safety regulations.
Overview:
The AFDD Arc Fault Detection Device series is a product developed in accordance with the national standard GB/T31143-2014. It integrates multiple protection functions including overload protection, short-circuit protection, arc fault protection, leakage protection, and over/under-voltage protection.
This product can effectively prevent electrical fires and provides terminal circuit protection. It is suitable for use in electrical circuits in various applications. When an arc fault is detected in the circuit, the device can disconnect the power supply within 0.1 seconds, thereby preventing electrical fires.
Normal Use, Installation, Transportation and Storage Conditions:
Conditions of Use:
Ambient temperature: -35°C to +70°C; the average operating temperature within 24 hours shall not exceed +35°C. The reference temperature for the residual current operated circuit breaker is 30°C. When the ambient temperature changes, the rated current value needs to be corrected, and the correction coefficient is shown in Table 1.
Altitude: Not exceeding 2000 m.
Pollution degree: Level 2.
Protection degree: IP20.
Installation category: Class II, Class III.
Installation Conditions:
Under the conditions that all safety warnings are met, the residual current operated circuit breaker should generally be installed vertically, and the installation location should be free from shaking, impact and vibration.
Transportation and Storage Conditions:
During storage and transportation, the residual current operated circuit breaker must not be dropped or exposed to rainwater or corrosive gases.
Model Designation:
Technical Parameters:
| Model |
Frequency (Hz)
| In (A) | Ue (V) | Icn (A) | Tripping Current (3A) | Current 6A | Current 10A | Current 20A | Instantaneous Trip Type |
| AFDD (JUTRION) | 50HZ | 6A 10A 16A 20A | 230V | 6000 | Tripping Time 1S | Tripping Time 0.5S | Tripping Time 0.25S | Tripping Time 0.15S | C |
Note: The above tripping times are based on the use of carbonized wires. When an arc generator is used, the tripping time is 2.5 times the time shown in the table.
| No. | Parameter / Performance | Parameter Value |
| 1 | Rated Voltage (Un) | AC 230V |
| 2 | Instantaneous Trip Type | B, C, D |
| 3 | Rated Residual Operating Current IΔn | Type AC: 0.03A |
| 4 | Rated Short-Circuit Breaking Capacity Icn | 6000A |
| 5 | Self-test Content | Electronic Component Check |
| 6 | Self-test Cycle | 108 min |
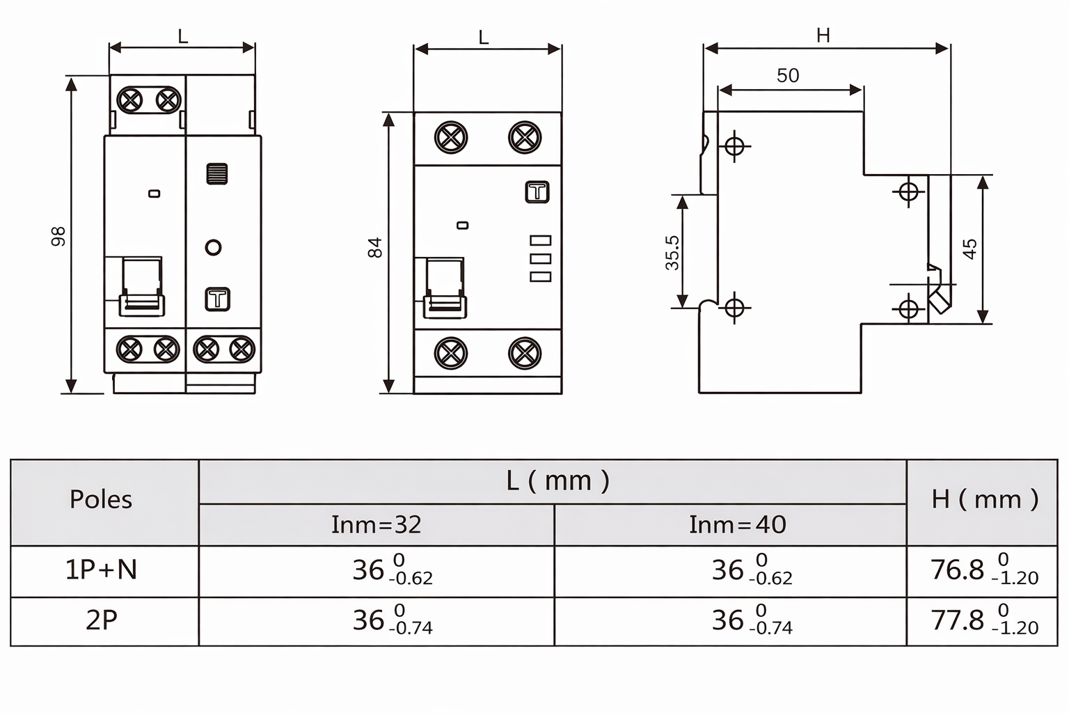
Overall and Installation Dimension Diagram: